카테고리 없음
로봇모델링 2일차(0424) - 4
유머인
2020. 4. 24. 12:17
반응형
방전가공 와이어 커팅
스케치 7번

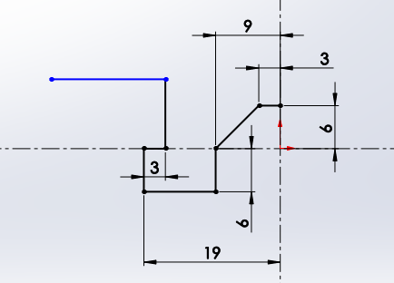
y축 방향으로 왼쪽부분을 스케치한다.

치수를 입력한다.

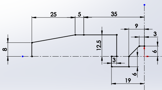
왼쪽 부분의 형상의 스케치를 추가한다.

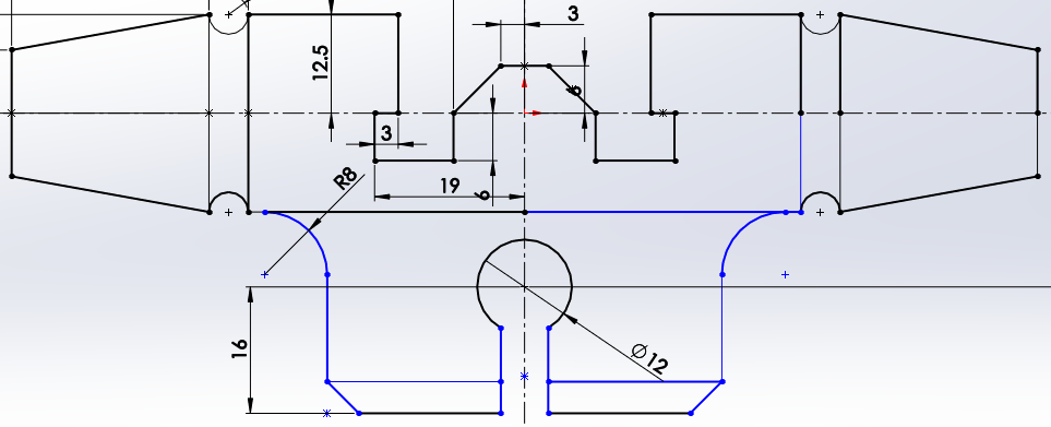
원주원 또는 3점호로 반원을 그린다.



