솔리드웍스
로봇모델링 2일차(0424)
유머인
2020. 4. 24. 09:54
반응형
공식 :
기준면 설정 -> 스케치 -> 구속조건부여, 치수구속 -> 스케치 종료
-> 피처 (돌출, 회전, 스윕, 로프트)
피처(ISO2)(남동동락)
기준면 잡는다 : 초기 데이텀을 도면을 보고 정면, 평면... 으로 잡을지 결정한다.
기준면
평면 - 상면 , 하면
측면 - 좌측, 우측
정면 - 정면, 배면
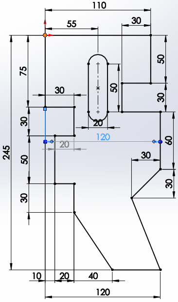
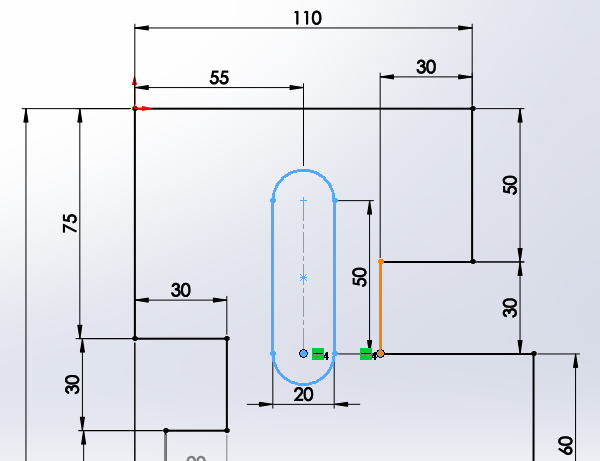
스케치1 77p

가로 부분의 정보가 없기 때문에 파란색 부분이 생긴다.
스케치가 완벽하게 구속되지 않고 있다.
가로 치수를 넣어 구속을 완성해보자


직선홈을 위와 같이 치수를 주고
직선홈의 중심점과 오른쪽의 표시부분과 수평 구속조건을 준다.
엔드밀로 원점에서 x55, y-30을 지정하면 온다.
여기에서 아래쪽으로 -50으로 오고 원호를 그리고 빠져나간다.
스케치 종료 후 피처 작업을 한다.
보스돌출 - 길이 50mm, 구배 (기울기) 30도

쉘을 10mm로 주면

절삭부위를 지정하면
usb에 담아서 작업을 한다.
3차원 프린터 (플라스틱 같은 경우)
작업파일을 파트.sld -> 파트.stl (NX 유지)로 변환시킨다.
3차원 프린터로 연결시켜서 실행시킨다.
적층가공 (?)