전기 기능사 실기 - 전동기제어(정역1)
1. 요구사항
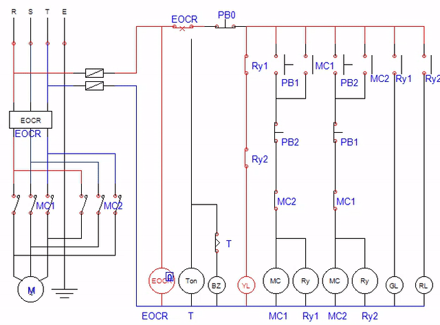
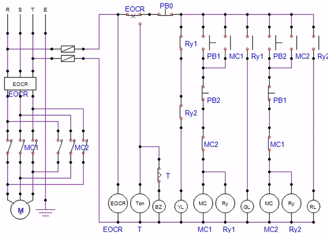
① 전원을 투입하면 YL이 점등한다.
② PB1을 누르면 MC1, Ry1이 여자되어 전동기(M)가 정회전한다. GL이 점등되고 YL이 소등.
③ PB2을 누르면 MC2, Ry2이 여자되어 전동기(M)가 역회전한다. RL이 점등되고 YL이 소등.
④ PB1과 PB2를 누를때마다 정역 운전이 반복된다.
⑤ EOCR이 동작하면 모든 동작이 정지. 타이머T가 여자 부저(BZ)가 울리고 t초후에 부저는 멈춘다.
2. 동작회로도

[시뮬레이션]

[전기시퀀스 동영상 파일]
[전기시퀀스 프로그램_ESS 작업파일]
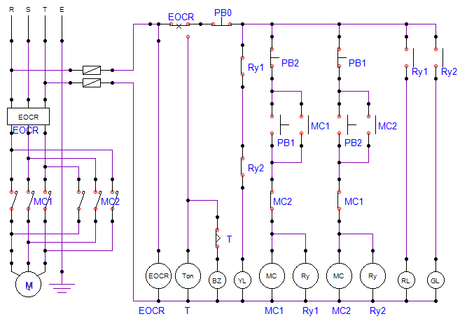
PB1, PB2와 자기유지를 시켜주는 접점 MC1, MC2의 위치를 아래로 변경해본다.
동작은 위와 같다.

[시뮬레이션]

[전기시퀀스 동영상 파일]
[전기시퀀스 프로그램_ESS 작업파일]
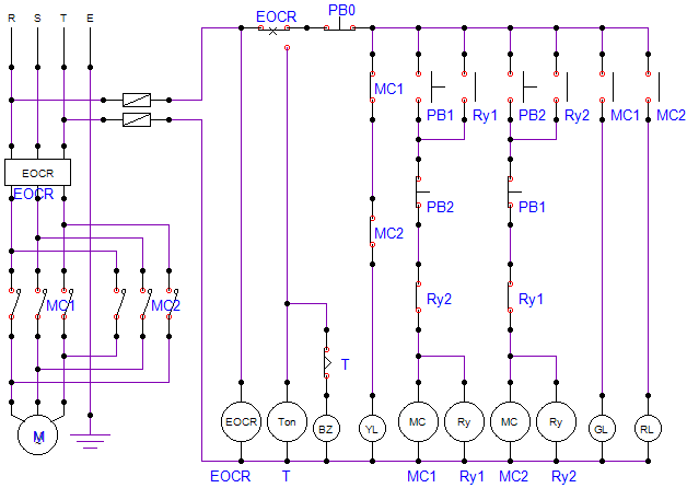
다음은 램프를 점등시키는 릴레이 Ry1, Ry2 접점과
자기유지를 시켜주는 MC1, MC2 접점의 위치를 바꿔서 테스트해본다.

[시뮬레이션]

[전기시퀀스 동영상 파일]
[전기시퀀스 프로그램_ESS 작업파일]
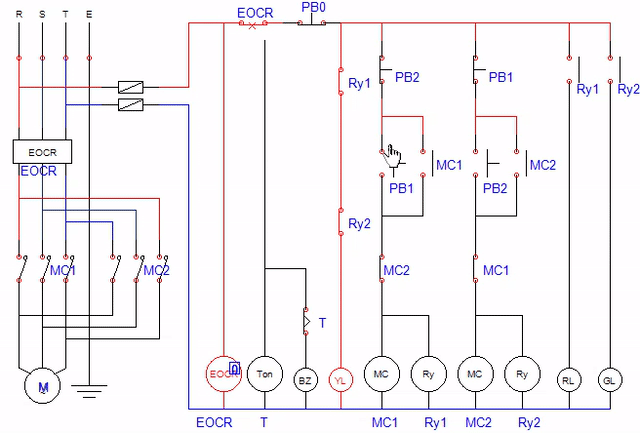
PB1, PB2와 자기유지를 시켜주는 접점 Ry1, Ry2의 위치를 아래로 변경해본다.
동작은 위와 같다.

[시뮬레이션]

[전기시퀀스 동영상 파일]
[전기시퀀스 프로그램_ESS 작업파일]
Ry1, Ry2 a 접점으로 RL과 GL을 점등시키는 부분을 옮겨본다.
동작은 위와 같다.

[시뮬레이션]

[전기시퀀스 동영상 파일]
[전기시퀀스 프로그램_ESS 작업파일]
작업 프로그램은 주식회사 ED에서 만든
전기시퀸스제어 시뮬레이션 ESS (Version 1.42)이다.
3개월 무료버전으로 사용할 수 있다