전기 기능사 실기 - 전동기제어(정역2) 11핀+인터록
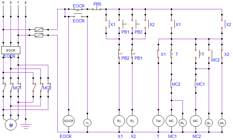
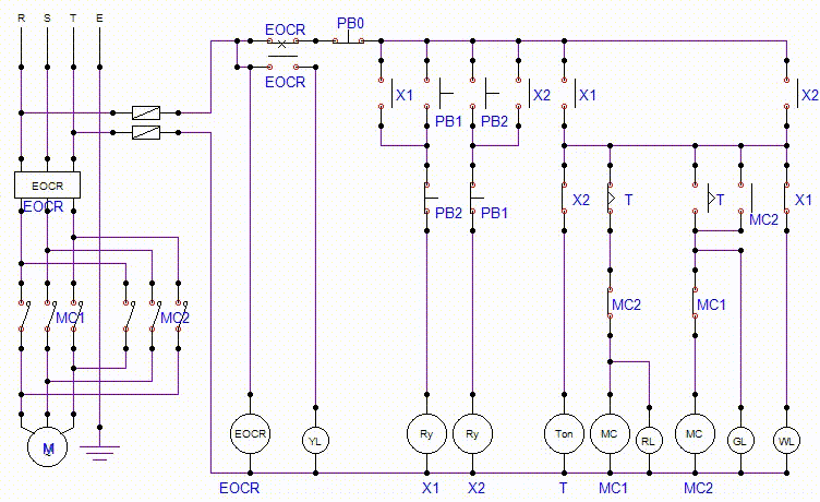
1. 요구사항
① PB1을 누르면 X1, MC1 여자되어 전동기(M)이 정회전한다. WL과 RL이 점등된다.
② PB0를 누르면 X1, MC1 소자되어 전동기(M)가 정지한다. WL과 RL이 소등된다.
[자동 운전]
① PB2을 누르면 X2, T, MC1이 여자되어 전동기(M)이 정회전한다. RL이 점등된다.
② 설정시간 5초 후에 MC1이 소자 RL이 소등, MC2가 여자되어 전동기(M)는 역회전한다. GL이 점등된다.
③ PB0를 누르면 X2와 MC2가 소자되고 전동기가 정지, GL이 소등된다.
2. 동작회로도


[시뮬레이션]

PB1과 PB2는 인터록 관계이다. 그러므로 X1과 X2는 동시에 여자되지 않는다.

X1은 영원히 타이머(T)를 여자시키지 못한다.
X2만이 여자시킬 수 있다.

X2는 MC1을 여자시켜 정회전, 타이머를 동작시켜서
5초 후에 MC2를 여자시켜 역회전을 시킨다.
[전기시퀀스 동영상 파일]
[전기시퀀스 프로그램_ESS 작업파일]
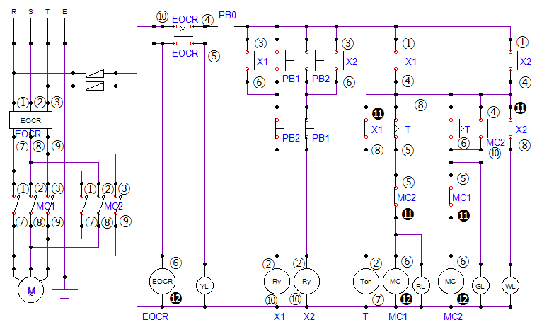
이번엔 릴레이 X1과 X2의 접점의 위치를 바꿔서
X1가 여자되면 자동으로 정방향 역방향으로 모터가 회전한다.
X2가 여자되면 정방향으로 회전하게 수정한다.

[시뮬레이션]

[전기시퀀스 동영상 파일]
[전기시퀀스 프로그램_ESS 작업파일]
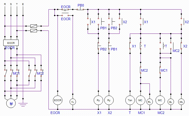
타이머가 오른쪽 끝에 배치된 상태이다. 동작은 위와 비슷하다.
릴레이 X1은 영원히 타이머(T)를 여자시키지 못한다.
릴레이 X2만이 여자시킬 수 있다.

[시뮬레이션]

[전기시퀀스 동영상 파일]
[전기시퀀스 프로그램_ESS 작업파일]
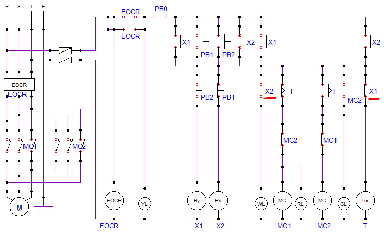
이번 회로는 MC1 접점과 RL램프 동작을 따로 분리시켰다.
동작은 위와 똑같다.


작업 프로그램은 주식회사 ED에서 만든
전기시퀸스제어 시뮬레이션 ESS (Version 1.42)이다.
3개월 무료버전으로 사용할 수 있다
