전기 & 전자/전기시퀀스제어
전기 기능사 실기 - 승강기 제어
유머인
2020. 3. 28. 20:25
반응형
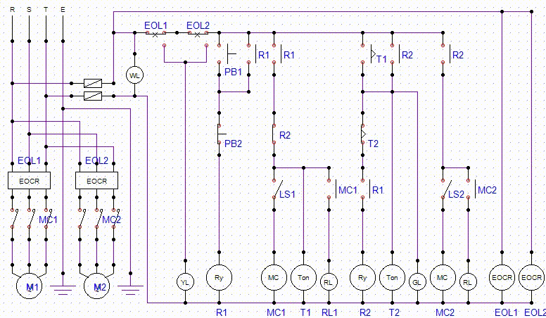
1. 요구사항
① 배선차단기(MCCB)에 전원이 투입되면 WL 점등.
② PB1을 누르면 R1, T1 여자되고
LS1을 누르면, MC1이 여자되어, RL1이 점등되고 전등기 M1이 동작한다.
③ T1의 설정시간 후 R2와 T2가 여자, GL이 점등되고,
LS2를 누르면 MC2가 여자되어 RL2가 점등되면서 전동기 M2가 동작한다.
④ T2의 설정시간 후 ① 동작과 ② 동작이 반복되고 PB2를 누르면 초기화된다.
⑤ EOL1나 EOL2가 동작하면 초기화 되고 YL이 점등한다.
2. 동작회로도
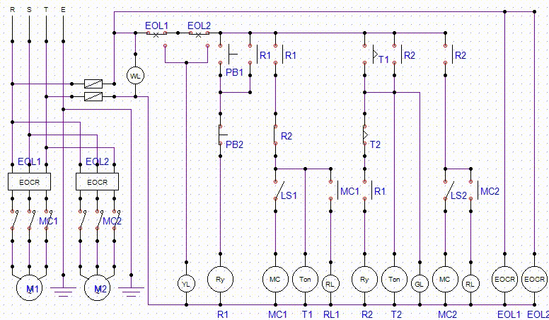
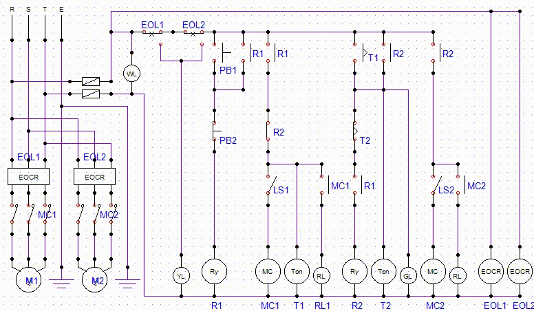
PB1을 누르고 리밋스위치LS1, LS2는 누르지 않는다.
MC1, MC2가 여자되지 않으니 모터는 회전하지 않을 것이다.

PB1을 누르고 리밋스위치 LS1만 눌러본다.
MC1가 여자되고 모터 M1만 회전한다.
타이머는 모두 3초로 설정해 놓았다.

PB1을 누르고 리밋스위치LS1, LS2 모두 누른다.
MC1, MC2가 여자되고 모터는 타이머 시간만큼 번갈아 가면서 회전 할 것이다.

