전기 & 전자/전기시퀀스제어
전기 기능사 실기 - 자동 온도 조절제어 (수업 0205)
유머인
2020. 3. 26. 20:33
반응형
1. 요구사항
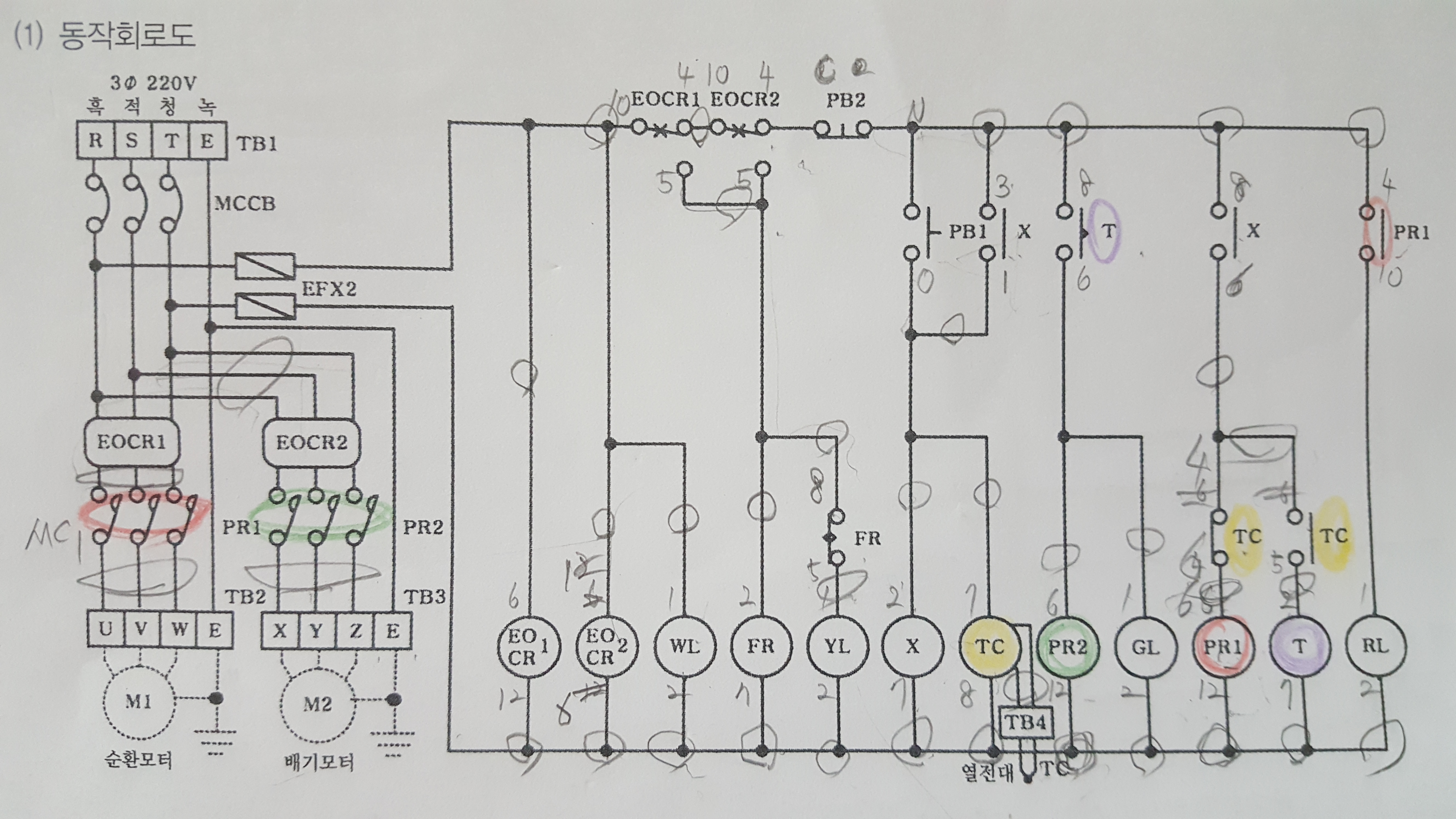
① 배선차단기 MCCB에 전원을 투입하면 WL이 점등된다.
② PB1을 누를 때 X와 MC1이 여자되어 RL이 점등되고, 순환모터가 동작된다.
③ TC의 설정 온도에서 MC1이 소자, T가 여자되어, RL이 소등되고, 순환모터가 정지된다.
④ T의 설정시간 후 MC2가 여자되어 GL이 점등되고, 배기모터가 동작한다.
⑤ EOCR이 동작할 때(과부하시) FR에 의해 YL가 점멸된다.
⑥ PB2를 누를 때 모든 동작이 정지하여 초기화 된다 (단, 과부하 시에는 자동 초기화 된다)
온도계전기(TC)의 설정온도를 26도로 한다.
이때 온도 센서에 의해
측정된 온도가 20도일 경우 설정온도(26도)보다 낮기 때문에 '순환모터'가 구동되고
측정온도가 설정온도보다 높은 40도일 경우는 '배기모터'가 구동된다.
화면 크기를 고려하여 EOCR의 배치를 위아래로 구성하였다.
2. 동작회로도



[작업 파일]


작업 프로그램은 주식회사 ED에서 만든
전기시퀸스제어 시뮬레이션 ESS Version 1.42
3개월 무료버전으로 사용할 수 있다