공유압/공압 기출문제 정리 (18회)
기출문제 1번 공압 회로구성
유머인
2020. 3. 21. 22:12
반응형
[요구사항]
1~3번 생략.
4. 작업압력(서비스 유닛)을 (0.5+0.05)MPa로 설정하시오.
5. 실린더 A 전진 시 일방향 유량조절밸브(모듈형)를 사용하여 Meter-out 회로가 되도록 구성하고,
실린더 B 후진 시 급속배기밸브를 사용하여 실린더의 속도를 제어하시오.
6. 리밋 스위치를 이용하여 작업대에 제품이 없을 경우 실린더 A에 의한 벤딩 작업이 진행되지 않도록 하고,
이 경우 전기 램프가 점등되어 그 상태를 표시할 수 있도록 전기회로를 구성한 후 동작시키시오.
(리밋 스위치는 전기 선택 스위치로 대용)
[위치도]

[제어조건]
START 스위치를 On-Off하면 실린더 A가 전진하고 실린더 A의 전진으로 제품이 캡모양으로 벤딩이 되고,
실린더 A가 후진하면 실린더 B가 전진하여 제품을 자르게 된다.
제품을 절단한 후에 실린더 B가 후진하면 제품을 수작업으로 꺼낸다.
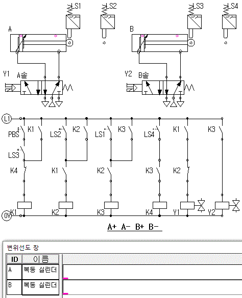
A+ A- B+ B-
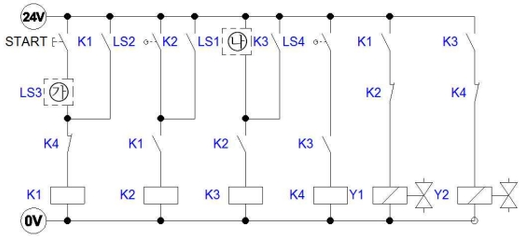
[공압회로도]

[전기회로도]

가 - LS3 b접점
나 - LS1 a접점
다 - 드레인 배출기 붙이 필터 (6번)
라 - 루브리게이터 용도 ()
마 -
탱크의 출구 쪽에 있으면 정지(STOP)밸브,
탱크의 아래 쪽에 있으면 (자동)배수기
[시뮬레이션]
A+ A- B+ B-

기본 동작까지만 하고
나머지 응용동작은 이후에 올릴예정임.
[작업 파일]