공유압/공압 기출문제 정리 (18회)
기출문제 4번 공압 회로구성
유머인
2020. 3. 21. 22:05
반응형
[요구사항]
1~3번 생략.
4. 작업압력(서비스 유닛)을 (0.5+0.05)MPa로 설정하시오.
5. 실린더 B 전진 시 일방향 유량조절밸브(모듈형)를 사용하여 Meter-out 회로가 되도록 하고,
실린더 B 후진 시 급속배기밸브를 사용하여 실린더의 속도를 제어하시오.
6. 카운터를 사용하여 상자 10개를 이동시킨 후 정지할 수 있게 전기회로를 구성한 후 동작시키시오.
(단, PBS1을 On-Off하면 연속 동작이 시작하고,
카운터 초기화 스위치(reset)를 추가하고 On-Off하면 카운터가 초기화된다)
[위치도]

[제어조건]
하단의 롤러 컨베이어에 이송된 상자를 밀어 올려 다른 롤러 컨베이어로 상자를 이송시키는 공정을
공압으로 구동하려고 한다.
상자가 제 1 롤러 컨베이어를 타고 내려왔을 때 PBS1 스위치를 On-Off하면,
실린더 A가 상자를 밀어올리고, 실린더 B가 이 상자를 제 2 롤러 컨베이어로 옮긴 다음
실린더 A가 후진완료 한 후 실린더 B가 복귀하는 시스템이다.
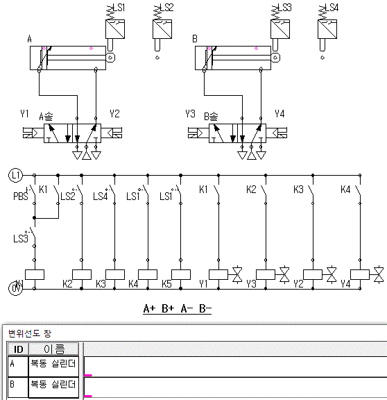
A+ B+ A- B-
[공압회로도]

[전기회로도]

가 - Y3솔레노이드 (41번)
나 - Y2솔레노이드 (40번)
다 - 릴리프밸브 (9번)
라 - 압력계 용도 (시스템 내의 압력 표시)
마 - 공기탱크
[시뮬레이션]
A+ B+ A- B-

기본 동작까지만 하고
나머지 응용동작은 이후에 올릴예정임.
[작업 파일]