공유압/공압 기출문제 정리 (18회)
기출문제 7번 공압 회로구성
유머인
2020. 3. 21. 22:03
반응형
[요구사항]
1~3번 생략.
4. 작업압력(서비스 유닛)을 (0.5+0.05)MPa로 설정하시오.
5. 실린더 A 후진 시 급속배기밸브를 사용하여 속도를 제어하고,
실린더 B 후진 시 일방향 유량조절밸브(모듈형)를 사용하여
Meter-out 회로가 되도록 구성하여 실린더의 속도를 제어하시오.
6. 전기타이머를 사용하여 실린더 B가 전진완료 후 2초간 정지한 후에
다음 동작이 이루어지도록 전기회로를 구성하고 동작시키시오.
[위치도]

[제어조건]
소재 공급 매거진에서 PBS1을 On-Off하면 실린더 A의 전진동작으로 소재를 공급한 후,
실린더 B의 전후진 동작으로 소재를 용기에 넣은 다음 실린더 A가 복귀하도록 한다.
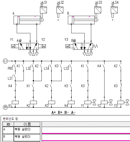
A+ B+ B- A-
[공압회로도]

[전기회로도]

가 - K4 a접점
나 - K3 b접점
다 - 루브리게이터 (5번)
라 - 감압밸브 용도 (유체의 압력을 원하는 압력으로 감소시켜줌 )
마 - 냉각기 = (수랭식) 애프터 쿨러
[시뮬레이션]
A+ B+ B- A-

기본 동작까지만 하고
나머지 응용동작은 이후에 올릴예정임.
[작업 파일]