기출문제 8번 공압 회로구성
[요구사항]
1~3번 생략.
4. 작업압력(서비스 유닛)을 (0.5+0.05)MPa로 설정하시오.
5. 실린더 A는 전진 시와 실린더 B는 후진 시 모두 일방향 유량조절밸브(모듈형)를 사용하여
Meter-out 회로가 되로록 실린더의 속도를 제어하시오.
6. 카운터를 사용하여 5회 연속운전을 하고 정지되도록 전기회로를 구성한 후 동작시키시오.
(단, PBS를 On-Off하면 연속 동작이 시작하고, 카운터의 초기화는 별도의 스위치 추가 없이 자동으로 초기화되도록 한다)
[위치도]

[제어조건]
공압 실린더를 이용하여 자동으로 호퍼에 담긴 곡물을 아래로 일정량 만큼 계량하여 공급하고자 한다.
실린더 B는 초기에 전진하여 있고 동작스위치(PBS) On-Off하면
실런더 A가 전진한 다음 실린더 B가 후진하여 계량된 곡물을 아래로 내려 보낸다.
실린더 B가 전진을 한 후 실린더 A가 후진 위치로 이동하여 곡물을 실린더 B로 내려 보낸다.
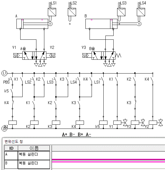
초기상태: B+ (전진위치)
A+ B- B+ A-
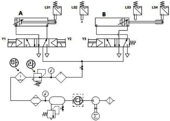
[공압회로도]

[전기회로도]

가 - LS4 b접점
나 - LS4 a접점
다 - 냉각기 (4번) : 공랭식 에프터 쿨러
라 - 감압밸브 용도 (출구 압력을 낮춰 주는 역할)
마 - 드레인 배출이 붙이 필터
참고)
감압밸브의 용도 및 특성
유체의 얍력을 감소 시켜주는 밸브로, 1차측 입구의 높은 압력을 밸브 내의 조절나사 및 디스크로 조절하여, 2차측 출구 압력을 원하는 압력으로 낮춰 주는 역할을 합니다.
https://m.blog.naver.com/mkorea119/220799616057

A+ B- B+ A-
[시뮬레이션]

기본 동작까지만 하고
나머지 응용동작은 이후에 올릴예정임.
[작업 파일]