공유압/공압 기출문제 정리 (18회)
기출문제 14번 공압 회로구성
유머인
2020. 3. 21. 21:58
반응형
[요구사항]
1~3번 생략.
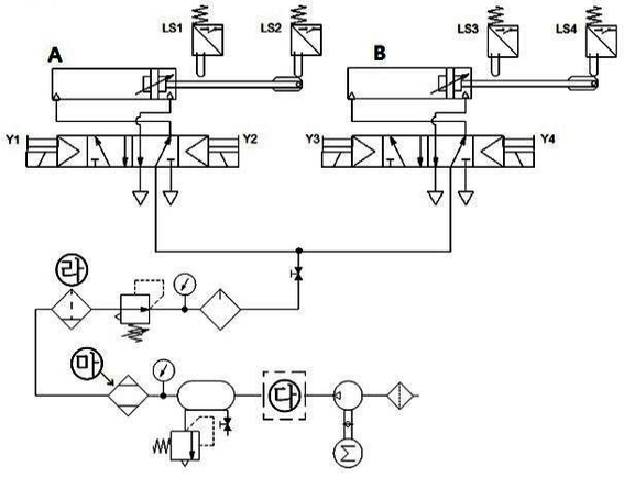
4. 작업압력(서비스 유닛)을 (0.5+0.05)MPa로 설정하시오.
5. 실린더 A 전진 시 일방향 유량조절밸브(모듈형 타입)를 사용하여 Meter-out 회로가 되도록 하고,
실린더 B 후진시 급속배기밸브를 사용하여 실린더의 속도를 제어하시오.
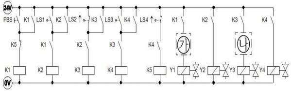
6. 전기타이머를 사용하여 실린더 A가 전진 후 3초 뒤에 실린더 B가 후진하도록 전기회로를 구성하고 동작시키시오.
[위치도]

[제어조건]
공압 실린더를 이용하여 자동으로 호퍼에 담긴 사료를 아래로 일정량 만큼 공급하고자 한다.
실린더 A와 B는 초기에 전진하여 있고 (위치도1),
누름 버튼 스위치(PBS)를 1회 ON-OFF 하면 실린더 A가 후진하여 사료를 실린더 B로 내려 보낸 다음(위치도2) 전진한다.
그 후 실린더 B가 후진하여 곡물을 아래로 내려 보낸 후(위치도3) 전진한다.
초기 : A+ B+
동작 : PBS A- A+ B- B+
[공압회로도]

[전기회로도]

가 - K2 b접점
나 - K4 a접점
다 - 냉각기 (4번)
라 - 드레인 배출기 붙이 필터 용도 ( )
마 - 에어드라이어
초기 : A+ B+
동작 : PBS A- A+ B- B+
[시뮬레이션]
솔레노이드와 실린더의 공압호수 연결이 크로스 되어있는 걸 주의한다.

기본 동작까지만 하고
나머지 응용동작은 이후에 올릴예정임.
[작업 파일]