자동제어
글로파PLC_램프 순차 점등 (타이머 응용)
유머인
2019. 12. 29. 22:23
반응형
2019.12.16 수업
요구사항:
스위치1을 누르면 3초 뒤에 LAMP1이 ON되고
스위치2를 누르면 LAMP1이 OFF된다.

sw1을 누르면 1초 뒤에 lamp1이 ON되고 그리고 1초 후에 L2가 ON된다.
sw2을 누르면 lamp들이 OFF된다.

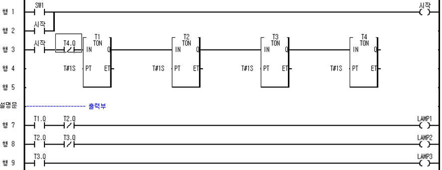
램프 순차 점등 (타이머 응용)
SW1을 누르면 1초 후에 켜지기 시작한다.
LAMP1, LAMP2, LAMP3이 1초 간격으로 켜지고
모두 켜지면 1초 후에 다시 처음부터 반복한다.
cf) 모두 켜진 다음에 모든 LAMP 꺼짐(종료가 0행에 있어야 됨)

위의 프로그램을 아래와 같이 구성할 수 있다. (가로방향)

스위치1을 누르고 램프를 즉시 켜지가 하려면
시작신호로 Lamp1을 작동시키면된다.
7행의 T1.Q를 '시작'으로 수정한다.